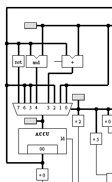
Simple CPU Three - download .toy file - download .mem file

 

<< back